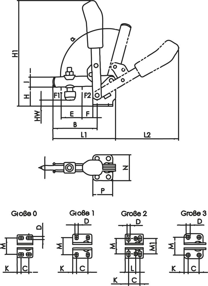
ESD Senkrechtspanner
• Verzinkt, passiviert
• Niete aus rostfreiem Stahl
• Größe 2 und 3 mit einsatzgehärteten Lagerbuchsen
• Lagerstellen gefettet
• Offener Haltearm
• Ergonomischer, ölbeständiger Handgriff mit großer Handauflage und weicher Komponente
• Für den Einsatz in ESD Schutzzonen (EPA –electrostatic protected area) für Arbeiten an elektrostatisch empfindlichen Bauelementen, Baugruppen oder Geräten entsprechend der Norm DIN EN 61340-5-1.Lieferung:Komplett mit vergüteter, verzinkter Andrückschraube.Hinweis:Der ESD Schubstangenspanner ist nicht isolierend. Er darf nicht in Bereichen eingesetzt werden, in denen mit offenen Spannungen gearbeitet wird.Hersteller:Andreas Maier GmbH & Co KG, Waiblinger Str. 116, 70734 Fellbach, DE, +4971157660, amf@amf.de
Produktbeschreibung: AMF-Senkrechtspanner 6800 ESD - Gr.1
Der AMF-Senkrechtspanner 6800 ESD - Gr.1 mit der EAN 4020772023881 ist ein hochwertiges Spannwerkzeug, das speziell für Anwendungen entwickelt wurde, die eine präzise und sichere Fixierung erfordern. Dieser Senkrechtspanner ist ein unverzichtbares Werkzeug für Profis in der Metallverarbeitung, im Maschinenbau und in anderen industriellen Anwendungen, bei denen es auf Genauigkeit und Zuverlässigkeit ankommt.
Eigenschaften und Vorteile:
-
ESD-Schutz: Der Senkrechtspanner verfügt über einen integrierten ESD-Schutz, der empfindliche elektronische Bauteile vor elektrostatischer Entladung schützt. Dies ist besonders wichtig in Umgebungen, in denen elektronische Komponenten verarbeitet oder montiert werden.
-
Robuste Konstruktion: Hergestellt aus hochwertigen Materialien, bietet der AMF-Senkrechtspanner eine lange Lebensdauer und hervorragende Beständigkeit gegen Verschleiß und Korrosion. Dies gewährleistet eine zuverlässige Leistung auch unter anspruchsvollen Bedingungen.
-
Einfache Bedienung: Der ergonomisch gestaltete Griff sorgt für eine komfortable Handhabung und ermöglicht ein schnelles und einfaches Spannen und Lösen der Werkstücke. Dies spart Zeit und erhöht die Effizienz am Arbeitsplatz.
-
Hohe Spannkraft: Mit seiner starken Spannkraft gewährleistet der 6800 ESD - Gr.1, dass Werkstücke sicher und fest fixiert sind, was die Genauigkeit und Qualität der Arbeitsergebnisse verbessert.
-
Vielseitige Einsatzmöglichkeiten: Dieser Senkrechtspanner ist ideal für eine Vielzahl von Anwendungen, einschließlich Schweißen, Bohren, Fräsen und Montagearbeiten. Seine Vielseitigkeit macht ihn zu einem wertvollen Werkzeug in jeder Werkstatt.
Der AMF-Senkrechtspanner 6800 ESD - Gr.1 überzeugt durch seine hervorragende Funktionalität und die Fähigkeit, den Arbeitsprozess zu optimieren. Dank seiner robusten Bauweise und der hochwertigen Materialien ist er besonders langlebig und zuverlässig. Der integrierte ESD-Schutz macht ihn zu einer ausgezeichneten Wahl für Arbeiten in elektrostatisch empfindlichen Umgebungen.
Durch die einfache Bedienung und die hohe Spannkraft ist dieser Senkrechtspanner sowohl für erfahrene Fachkräfte als auch für Neueinsteiger ideal geeignet. Er bietet die nötige Flexibilität und Präzision, um verschiedene Werkstücke schnell und sicher zu bearbeiten. Die vielseitigen Einsatzmöglichkeiten machen ihn zu einem unverzichtbaren Bestandteil jeder industriellen Produktion.
Entscheiden Sie sich für den AMF-Senkrechtspanner 6800 ESD - Gr.1, um Ihre Arbeitsprozesse zu verbessern und Ihre Produktivität zu steigern. Dieses Werkzeug ist eine Investition in Qualität und Effizienz, die sich schnell auszahlen wird.
},
Es gibt noch keine Bewertungen.