Permanent-Magnetrundfutter RS, Neodym
• Mit Radial- und Stern-Polteilung
• Magnetkraft stufenlos regulierbar
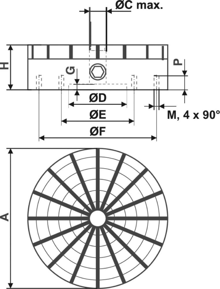
• Zentrierrillen erleichtern das Ausrichten des Werkstücks•Mittig kann eine Durchgangsbohrung eingebracht werden (Ø C)
• Extrem starkes Rundfutter, speziell für Ringe und zum Hartdrehen mit hohen Drehzahlen konzipiert
• Haftkraft: ca. 140 N/cm²
• Magnetfeldhöhe: ca. 10 mm
• Abnutzbarkeit der Polplatte: 3 mm bei Ø 130 mm, 7 mm ab Ø 150 mm: 5 + 8 mmHinweis:Bohrtiefen der Polplatte bei neuen, nicht nachgeschliffenen oder überdrehten Radialpolfuttern: bis Ø 400 mm = 16 mm, ab Ø 500–600 = 26 mm.Hersteller:Flaig Magnetsysteme GmbH & Co. KG, Feurenmoos 15, 78739 Hardt, DE, +497422940010, info@flaig-te.de
Es gibt noch keine Bewertungen.