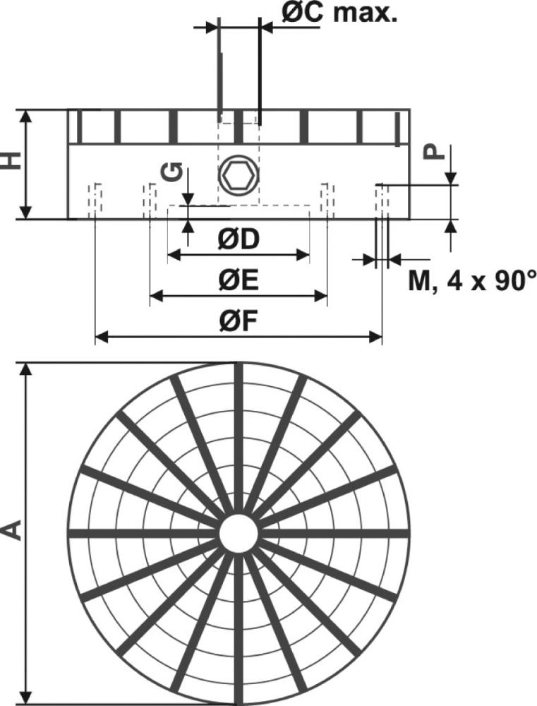
Permanent-Magnetrundfutter RS, Neodym
• Mit Radial- und Stern-Polteilung
• Magnetkraft stufenlos regulierbar
• Zentrierrillen erleichtern das Ausrichten des Werkstücks
• Mittig kann eine Durchgangsbohrung eingebracht werden (Ø C)
• Extrem starkes Rundfutter, speziell für Ringe und zum Hartdrehen mit hohen Drehzahlen konzipiert
• Haftkraft: ca. 140 N/cm²
• Magnetfeldhöhe: ca. 10 mm
• Abnutzbarkeit der Polplatte: 3 mm bei Ø 130 mm, 7 mm ab Ø 150 mm: 5 + 8 mm
Hinweis: Bohrtiefen der Polplatte bei neuen, nicht nachgeschliffenen oder überdrehten Radialpolfuttern: bis Ø 400 mm = 16 mm, ab Ø 500–600 = 26 mm.
Hersteller: Flaig Magnetsysteme GmbH & Co. KG, Feurenmoos 15, 78739 Hardt, DE, +497422940010, info@flaig-te.de
Produktbeschreibung: FLAIG-Permanent-Magnetrundfutter RS 20 - 200mm (EAN: 4053569484220)
Das FLAIG-Permanent-Magnetrundfutter RS 20 - 200mm ist ein hochentwickeltes Spannmittel, das speziell für die Anforderungen in der Metallbearbeitung entwickelt wurde. Mit seiner robusten Bauweise und zuverlässigen Magnetkraft bietet dieses Rundfutter eine effiziente und sichere Lösung für das Spannen von Werkstücken unterschiedlicher Größen. Die Kombination aus hoher Präzision und Benutzerfreundlichkeit macht es zu einem unverzichtbaren Werkzeug in jeder Werkstatt.
Eigenschaften:
-
Durchmesser: 200 mm
-
Magnettyp: Permanentmagnet
-
Hochwertige Materialien: Das Rundfutter besteht aus langlebigen Materialien, die eine lange Lebensdauer und Beständigkeit gegen Verschleiß gewährleisten.
-
Starke Magnetkraft: Der Permanentmagnet sorgt für eine gleichmäßige Spannkraft, die ein Verrutschen des Werkstücks verhindert und eine präzise Bearbeitung ermöglicht.
-
Einfach zu bedienen: Dank seines durchdachten Designs ist das Rundfutter einfach zu montieren und zu bedienen, was die Arbeitsabläufe in der Werkstatt optimiert.
-
Sicherheitsmerkmale: Die Konstruktion des Rundfutters gewährleistet eine sichere Handhabung und minimiert das Risiko von Unfällen während des Betriebs.
Anwendungsbereiche:
Das FLAIG-Permanent-Magnetrundfutter RS 20 - 200mm eignet sich ideal für eine Vielzahl von Anwendungen in der Metallbearbeitung, einschließlich Drehen, Fräsen und Schleifen. Es ist besonders nützlich in Branchen wie dem Maschinenbau, der Automobilindustrie und der Luft- und Raumfahrt, wo Präzision und Zuverlässigkeit entscheidend sind.
Vorteile:
-
Erhöhte Effizienz: Durch die schnelle und sichere Befestigung von Werkstücken können Arbeitsprozesse beschleunigt und die Produktivität gesteigert werden.
-
Präzision: Die starke Magnetkraft und die stabile Konstruktion ermöglichen eine gleichbleibend hohe Bearbeitungsqualität.
-
Kosteneffizienz: Die Langlebigkeit und Zuverlässigkeit des Rundfutters tragen zu einer langfristigen Kosteneinsparung bei.
-
Flexibilität: Das Rundfutter ist mit verschiedenen Maschinen kompatibel, was es zu einer vielseitigen Lösung für unterschiedliche Bearbeitungsanforderungen macht.
Das FLAIG-Permanent-Magnetrundfutter RS 20 - 200mm ist die perfekte Wahl für professionelle Anwender, die ein leistungsstarkes und zuverlässiges Spannmittel benötigen. Investieren Sie in Qualität und Präzision und erleben Sie den Unterschied, den ein hochwertiges Magnetrundfutter in Ihrer Werkstatt machen kann.
},
| Versandgewicht: |
15,00 kg
|
| Artikelgewicht: |
13,50 kg
|
Es gibt noch keine Bewertungen.